Фильтр
Сначала дешевые
0
Арт. SKU26640
<br/>
Описание<br/>
<br/>
<br/>
<br/>
KOLOSS AUTO COMPACT - автоматические котлы с большим бункером для угля. Базовой моделью в линейке автоматических котлов KOLOSS является KOLOSS AUTO COMPACT. Конструкция котла позволяет менять расположение бункера для размещения его слева, справа, а также с тыльной стороны. Это делает котел идеальным решением как для стандартных, так и для малогабаритных узких котельных. Возможна организация сжигания топлива в ручном режиме путем установки съемной колосниковой решетки. Опционально возможна установка автоматической системы золоудаления. Срок службы котла минимум 15 лет.<br/>
<br/>
KOLOSS AUTO COMPACT оборудован шнековой подачей топлива с неповоротной ретортной горелкой (ретортной поворотной горелкой данная серия котлов комплектуется в качестве опции). Теплообменник модели выполнен в виде горизонтально направленных каналов, расположенной в верхней части котла. Выход дымового борова направлен вверх. Топливный бункер возможно установить с правой, левой или тыльной стороны котла. Для угля 5-25 мм.<br/>
<br/>
Особенности и преимущества Koloss Auto Compact 35:<br/>
<br/>
<br/>
До 5-7 суток работы на одной загрузке бункера<br/>
<br/>
Бункер можно ставить справа, слева или сзади от котла<br/>
<br/>
Умная автоматика управляет работой котла, следит за безопасностью и экономит до 25% топлива по сравнению с котлами без автоматики<br/>
<br/>
Особо прочный цельнотянутый шнек и функция автореверса<br/>
<br/>
Возможность установки Internet модуля (опционально). Контроль и управление автоматическим котлом, без необходимости быть непосредственно в котельной<br/>
<br/>
Топливный бункер 310-500 л уже в базовой комплектации<br/>
<br/>
Поворотная ретортная горелка с функцией автоочистки (опция)<br/>
<br/>
Благодаря теплоизоляции тепло от сгоревшего топлива идет на обогрев помещений, а не котельной<br/>
<br/>
Вывод патрубков подключения с двух сторон<br/>
<br/>
Высокий КПД от 86 %<br/>
<br/>
Расширенная гарантия - 8 лет, срок службы - минимум 15 лет<br/>
<br/>
<br/>
Описание<br/>
<br/>
<br/>
<br/>
KOLOSS AUTO COMPACT - автоматические котлы с большим бункером для угля. Базовой моделью в линейке автоматических котлов KOLOSS является KOLOSS AUTO COMPACT. Конструкция котла позволяет менять расположение бункера для размещения его слева, справа, а также с тыльной стороны. Это делает котел идеальным решением как для стандартных, так и для малогабаритных узких котельных. Возможна организация сжигания топлива в ручном режиме путем установки съемной колосниковой решетки. Опционально возможна установка автоматической системы золоудаления. Срок службы котла минимум 15 лет.<br/>
<br/>
KOLOSS AUTO COMPACT оборудован шнековой подачей топлива с неповоротной ретортной горелкой (ретортной поворотной горелкой данная серия котлов комплектуется в качестве опции). Теплообменник модели выполнен в виде горизонтально направленных каналов, расположенной в верхней части котла. Выход дымового борова направлен вверх. Топливный бункер возможно установить с правой, левой или тыльной стороны котла. Для угля 5-25 мм.<br/>
<br/>
Особенности и преимущества Koloss Auto Compact 35:<br/>
<br/>
<br/>
До 5-7 суток работы на одной загрузке бункера<br/>
<br/>
Бункер можно ставить справа, слева или сзади от котла<br/>
<br/>
Умная автоматика управляет работой котла, следит за безопасностью и экономит до 25% топлива по сравнению с котлами без автоматики<br/>
<br/>
Особо прочный цельнотянутый шнек и функция автореверса<br/>
<br/>
Возможность установки Internet модуля (опционально). Контроль и управление автоматическим котлом, без необходимости быть непосредственно в котельной<br/>
<br/>
Топливный бункер 310-500 л уже в базовой комплектации<br/>
<br/>
Поворотная ретортная горелка с функцией автоочистки (опция)<br/>
<br/>
Благодаря теплоизоляции тепло от сгоревшего топлива идет на обогрев помещений, а не котельной<br/>
<br/>
Вывод патрубков подключения с двух сторон<br/>
<br/>
Высокий КПД от 86 %<br/>
<br/>
Расширенная гарантия - 8 лет, срок службы - минимум 15 лет<br/>
<br/>
<br/>
Гарантия, лет
—
8 года
Цвет корпуса
—
бежевый
Электропитание
—
220-240/1/50
Страна сборки
—
Россия
Дополнительная информация
—
контроллер, объем бункера 380 л., объем водяной рубашки 115 л., толщина стали 4 мм.
Отапливаемая площадь, кв.м
—
350
Диаметр подключения теплоносителя, дюйм
—
1 1/2"
Максимальная длина дымовой трубы (60-100 / 80-80 / 80-125 мм), м
—
159 мм
Вес, кг
—
435
0
Арт. SKU26641
<br/>
Описание<br/>
<br/>
<br/>
<br/>
Зота Оптима - это автоматический котел на твердом топливе, имеет вместительный бункер и способен работать на 1 загрузке до 8 дней. В конструкции котла применены самые передовые технологии компании Zota, что является залогом надежности и долговечности.<br/>
<br/>
Особенности и преимущества ZOTA Optima 15 кВт:<br/>
<br/>
<br/>
Уникальная особенность – реверсивная система защиты от заклинивания шнека. В случае попадания в топливо твердых кусков породы или инородных тел, включается механизм реверсивного движения шнеков. Он делает три попытки и порода либо промалывается, либо механизм подачи останавливается и котел сигнализирует о необходимом вмешательстве для чистки механизма подачи<br/>
<br/>
Исключена обратная тяга дыма в бункер. В котле предусмотрено разряжение за счет трубки, соединяющей топочную камеру и бункер<br/>
<br/>
Котел оборудован вращающейся ретортной горелкой. Топливо в процессе горения перемешивается и не спекается<br/>
<br/>
Система «Стоп-уголь» позволит, в случае необходимости, заблокировать поступление топлива из бункера для работы со шнеком<br/>
<br/>
Объем бункера синхронизирован с объемом зольного ящика. Вместимость одного зольного ящика рассчитана на сгорание одного бункера топлива<br/>
<br/>
В качестве вспомогательного источника тепла можно использовать электричество. Для этого в котел устанавливается нагреватели из нержавеющей стали (ТЭН)<br/>
<br/>
Возможности и регулировки пульта управления:<br/>
<br/>
<br/>
-Мощность котла<br/>
<br/>
-Температура помещения<br/>
<br/>
-Температура подачи воды<br/>
<br/>
-Скорость шнека<br/>
<br/>
-Мощность вентилятора<br/>
<br/>
-Погодозависимое регулирование<br/>
<br/>
-Управление насосом ЦО<br/>
<br/>
-Управление насосом ГВС<br/>
<br/>
-Управление насосом рециркуляции<br/>
<br/>
-Коррекция расхода топлива<br/>
<br/>
-Управление 2-я электромагнитными клапанами<br/>
<br/>
<br/>
Описание<br/>
<br/>
<br/>
<br/>
Зота Оптима - это автоматический котел на твердом топливе, имеет вместительный бункер и способен работать на 1 загрузке до 8 дней. В конструкции котла применены самые передовые технологии компании Zota, что является залогом надежности и долговечности.<br/>
<br/>
Особенности и преимущества ZOTA Optima 15 кВт:<br/>
<br/>
<br/>
Уникальная особенность – реверсивная система защиты от заклинивания шнека. В случае попадания в топливо твердых кусков породы или инородных тел, включается механизм реверсивного движения шнеков. Он делает три попытки и порода либо промалывается, либо механизм подачи останавливается и котел сигнализирует о необходимом вмешательстве для чистки механизма подачи<br/>
<br/>
Исключена обратная тяга дыма в бункер. В котле предусмотрено разряжение за счет трубки, соединяющей топочную камеру и бункер<br/>
<br/>
Котел оборудован вращающейся ретортной горелкой. Топливо в процессе горения перемешивается и не спекается<br/>
<br/>
Система «Стоп-уголь» позволит, в случае необходимости, заблокировать поступление топлива из бункера для работы со шнеком<br/>
<br/>
Объем бункера синхронизирован с объемом зольного ящика. Вместимость одного зольного ящика рассчитана на сгорание одного бункера топлива<br/>
<br/>
В качестве вспомогательного источника тепла можно использовать электричество. Для этого в котел устанавливается нагреватели из нержавеющей стали (ТЭН)<br/>
<br/>
Возможности и регулировки пульта управления:<br/>
<br/>
<br/>
-Мощность котла<br/>
<br/>
-Температура помещения<br/>
<br/>
-Температура подачи воды<br/>
<br/>
-Скорость шнека<br/>
<br/>
-Мощность вентилятора<br/>
<br/>
-Погодозависимое регулирование<br/>
<br/>
-Управление насосом ЦО<br/>
<br/>
-Управление насосом ГВС<br/>
<br/>
-Управление насосом рециркуляции<br/>
<br/>
-Коррекция расхода топлива<br/>
<br/>
-Управление 2-я электромагнитными клапанами<br/>
<br/>
<br/>
Гарантия, лет
—
1 года
Цвет корпуса
—
синий
Страна сборки
—
Россия
Дополнительная информация
—
объем бункера 300 л., объем водяной камеры 81 л.
Отапливаемая площадь, кв.м
—
150
Диаметр подключения теплоносителя, дюйм
—
2"
Максимальная длина дымовой трубы (60-100 / 80-80 / 80-125 мм), м
—
150 мм
Вес, кг
—
372
0
Арт. SKU26642
<br/>
Описание<br/>
<br/>
<br/>
<br/>
Zota Pony 25 – отопительный агрегат, способный обслуживать до 250 квадратных метров площади. Модель изготовлена из современных материалов в газоплотной моноблочной конструкции с напольным вариантом установки. В рассматриваемом котле используется новая горелка и теплообменник с турбулизаторами. Опционально к котлу можно приобрести датчики температуры и погодозависимого управления.<br/>
<br/>
Особенности и преимущества ZOTA Pony 25:<br/>
<br/>
<br/>
Моноблочное исполнение котла<br/>
<br/>
Топливо: древесные пеллеты, агропеллеты<br/>
<br/>
Корпус теплоизолированный и газоплотный (выдерживает избыточное давление до 3 атм.)<br/>
<br/>
КПД 90%<br/>
<br/>
Автономная работа (на одной загрузке топлива) до 5 суток<br/>
<br/>
Авторозжиг<br/>
<br/>
Новый тип пеллетной горелки<br/>
<br/>
Вертикальный теплообменник с турбулизаторами<br/>
<br/>
Полуавтоматическая чистка теплообменника<br/>
<br/>
Двойная автоматическая очистка горелки: продувка и подвижный колосник<br/>
<br/>
<br/>
Описание<br/>
<br/>
<br/>
<br/>
Zota Pony 25 – отопительный агрегат, способный обслуживать до 250 квадратных метров площади. Модель изготовлена из современных материалов в газоплотной моноблочной конструкции с напольным вариантом установки. В рассматриваемом котле используется новая горелка и теплообменник с турбулизаторами. Опционально к котлу можно приобрести датчики температуры и погодозависимого управления.<br/>
<br/>
Особенности и преимущества ZOTA Pony 25:<br/>
<br/>
<br/>
Моноблочное исполнение котла<br/>
<br/>
Топливо: древесные пеллеты, агропеллеты<br/>
<br/>
Корпус теплоизолированный и газоплотный (выдерживает избыточное давление до 3 атм.)<br/>
<br/>
КПД 90%<br/>
<br/>
Автономная работа (на одной загрузке топлива) до 5 суток<br/>
<br/>
Авторозжиг<br/>
<br/>
Новый тип пеллетной горелки<br/>
<br/>
Вертикальный теплообменник с турбулизаторами<br/>
<br/>
Полуавтоматическая чистка теплообменника<br/>
<br/>
Двойная автоматическая очистка горелки: продувка и подвижный колосник<br/>
<br/>
<br/>
Гарантия, лет
—
1 года
Цвет корпуса
—
серый
Страна сборки
—
Россия
Дополнительная информация
—
объем бункера 190 л., объем топки 82 л.
Отапливаемая площадь, кв.м
—
250
Диаметр подключения теплоносителя, дюйм
—
1 1/2"
Максимальная длина дымовой трубы (60-100 / 80-80 / 80-125 мм), м
—
150 мм
Вес, кг
—
260
0
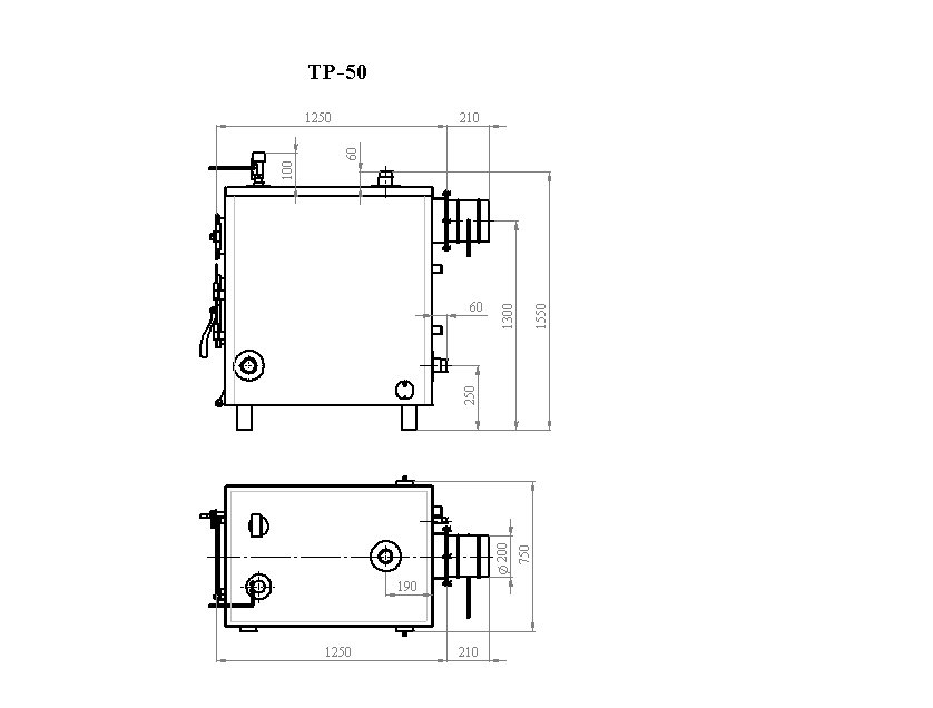
Арт. SKU26646
<br/>
Описание<br/>
<br/>
<br/>
<br/>
Траян ТР-50-2КТ улучшенная модель котла с измененной подачей вторичного воздуха. Увеличена площадь теплообменника. Предназначен для нагрева теплоносителя системы отопления в помещениях общей площадью не более 530 квадратных метров.<br/>
<br/>
Особенности и преимущества:<br/>
<br/>
<br/>
Расчетная продолжительность горения от одной закладки сухого топлива 8-10 часов при условии соблюдения правильности эксплуатации <br/>
<br/>
Предусмотрена возможность подключения ТЭНа.<br/>
<br/>
Добавлена передняя водяная рубашка для увеличения теплообменной площади.<br/>
<br/>
Добавлены теплосъемные поверхности в финальном дымоотводящем канале для повышения КПД (пиковое значение 93%).<br/>
<br/>
Внутренние полки сделаны из полнотелого шамотного кирпича для повышения температуры горения в котле.<br/>
<br/>
Изменена подача вторичного водуха.<br/>
<br/>
Добавлена возможность регулировки подачи вторичного воздуха.<br/>
<br/>
Воздухоохлаждаемые элементы выполнены из нержавеющей стали aisi 310.<br/>
<br/>
Съёмные инжектора подачи вторичного воздуха.<br/>
<br/>
<br/>
По многим показателям пиролизные котлы ТР-50 опережают модели конкурентов.<br/>
<br/>
<br/>
<br/>
Комплект поставки: котел, колосниковые решетки, шибер с крепежно-уплотнительными элементами, зольный ящик, термоманомерт, технический паспорт, гарантийный талон.<br/>
<br/>
<br/>
Описание<br/>
<br/>
<br/>
<br/>
Траян ТР-50-2КТ улучшенная модель котла с измененной подачей вторичного воздуха. Увеличена площадь теплообменника. Предназначен для нагрева теплоносителя системы отопления в помещениях общей площадью не более 530 квадратных метров.<br/>
<br/>
Особенности и преимущества:<br/>
<br/>
<br/>
Расчетная продолжительность горения от одной закладки сухого топлива 8-10 часов при условии соблюдения правильности эксплуатации <br/>
<br/>
Предусмотрена возможность подключения ТЭНа.<br/>
<br/>
Добавлена передняя водяная рубашка для увеличения теплообменной площади.<br/>
<br/>
Добавлены теплосъемные поверхности в финальном дымоотводящем канале для повышения КПД (пиковое значение 93%).<br/>
<br/>
Внутренние полки сделаны из полнотелого шамотного кирпича для повышения температуры горения в котле.<br/>
<br/>
Изменена подача вторичного водуха.<br/>
<br/>
Добавлена возможность регулировки подачи вторичного воздуха.<br/>
<br/>
Воздухоохлаждаемые элементы выполнены из нержавеющей стали aisi 310.<br/>
<br/>
Съёмные инжектора подачи вторичного воздуха.<br/>
<br/>
<br/>
По многим показателям пиролизные котлы ТР-50 опережают модели конкурентов.<br/>
<br/>
<br/>
<br/>
Комплект поставки: котел, колосниковые решетки, шибер с крепежно-уплотнительными элементами, зольный ящик, термоманомерт, технический паспорт, гарантийный талон.<br/>
<br/>
<br/>
Гарантия, лет
—
2 года
Цвет корпуса
—
синий
Страна сборки
—
Россия
Дополнительная информация
—
объем воды в котле 73 л., объем топки 0.302 м3
Отапливаемая площадь, кв.м
—
500
Диаметр подключения теплоносителя, дюйм
—
2"
Максимальная длина дымовой трубы (60-100 / 80-80 / 80-125 мм), м
—
200 мм
Вес, кг
—
600
0
Арт. SKU26650
<br/>
Описание<br/>
<br/>
<br/>
<br/>
Пеллетные котлы работают полностью в автономном режиме, что обеспечивает высокую экономичность, экологичность и низкую себестоимость тепла. Конструкция котла типична для твердотопливных автоматических котлов: теплообменник с камерой сгорания, зольником и камерой теплообмена. К теплообменнику легко монтируется польская ретортная горелка, которая позволяет топить котёл как пеллетами, так и углём мелких фракций.<br/>
<br/>
Основные преимущества Тепловъ ТР-25 Автоном:<br/>
<br/>
<br/>
Мощный мотор редуктор<br/>
<br/>
Длительное время горения<br/>
<br/>
Бункер с возможностью увеличения<br/>
<br/>
Управление двумя насосами<br/>
<br/>
Чугунная горелка<br/>
<br/>
Высокая автономность и безопасность системы<br/>
<br/>
<br/>
Описание<br/>
<br/>
<br/>
<br/>
Пеллетные котлы работают полностью в автономном режиме, что обеспечивает высокую экономичность, экологичность и низкую себестоимость тепла. Конструкция котла типична для твердотопливных автоматических котлов: теплообменник с камерой сгорания, зольником и камерой теплообмена. К теплообменнику легко монтируется польская ретортная горелка, которая позволяет топить котёл как пеллетами, так и углём мелких фракций.<br/>
<br/>
Основные преимущества Тепловъ ТР-25 Автоном:<br/>
<br/>
<br/>
Мощный мотор редуктор<br/>
<br/>
Длительное время горения<br/>
<br/>
Бункер с возможностью увеличения<br/>
<br/>
Управление двумя насосами<br/>
<br/>
Чугунная горелка<br/>
<br/>
Высокая автономность и безопасность системы<br/>
<br/>
<br/>
Гарантия, лет
—
2 года
Цвет корпуса
—
синий
Страна сборки
—
Россия
Дополнительная информация
—
Объём воды в котле 56 л., объем топочной камеры 72 л.
Отапливаемая площадь, кв.м
—
250
Диаметр подключения теплоносителя, дюйм
—
1 1/2"
Максимальная длина дымовой трубы (60-100 / 80-80 / 80-125 мм), м
—
150 мм
Вес, кг
—
308
0
Арт. SKU26651
Котел двухконтурный Буржуй-К Т-50А-2К может применяться на объектах жилого типа с большой территорией, не требует подключения к электросети и отличается удобным несложным управлением. Прочный корпус устройства надежно защищен от воздействий окружающей среды; его эргономичная конструкция обеспечивает комфорт пользователя в момент обслуживания котла.<br><br/>
<br><br/>
<br><br/>
<br><br/>
<br><br/>
<br>
<br><br/>
<br><br/>
<br><br/>
<br><br/>
<br>
Гарантия, лет
—
2
Цвет корпуса
—
красный
Страна сборки
—
Россия
Дополнительная информация
—
Время сгорания одной закладки топлива 10 ч., объем воды в котле 85 л.
Отапливаемая площадь, кв.м
—
500
Диаметр подключения теплоносителя, дюйм
—
2"
Максимальная длина дымовой трубы (60-100 / 80-80 / 80-125 мм), м
—
200
Диаметр подключения ГВС/ХВС, дюйм
—
1/2"
Вес, кг
—
580
0
Арт. SKU26653
<br/>
Описание<br/>
<br/>
<br/>
<br/>
Основная особенность котла - работа на пеллетах любого качества. Это реализуется благодаря наличию в котле специальной механической очистки колосников. Процесс розжига котла протекает без каких либо проблем с наличием керамической свечи, срок службы которой составляет более 3000 циклов. Наличие сенсорного дисплея, а также простого и понятного интерфейса на русском языке, позволяет пользователю настраивать и регулировать нужные параметры. При этом, вы всегда сможете управлять котлом через мобильное приложение eModul из любого места. <br/>
<br/>
Безопасность использования котла основывается на нескольких температурных датчиках: датчики защиты котла и горелки от перегрева, а за блокирование обратной тяги отвечает механический клапан. При отключении - включении электричества, котел самостоятельно возобновит работу при подаче электроэнергии. Теплообменник изготовлен из специальной котловой стал методом бесшовной вытяжки металлаи практически не имеет сварных швов. Теплообменник сконструирован таким образом, что практически не имеет сварных швов,а уникальный отвод дымовых газов подразумевает максимальный теплосъем и высокий КПД котла. Бункер объемом на 300 литров оснащен крышкой для защиты от влаги и посторонних предметов. Подача пеллетов из бункера осуществляется двухметровым шнеком из оцинкованной стали. Горелка, шнек и бункер имеют защиту от возникновения коррозии.<br/>
<br/>
Особенности и преимущества Amteo АF20 Classic:<br/>
<br/>
<br/>
Минимум сварочных швов в конструкции. Увеличивает прочность и герметичность котла<br/>
<br/>
Уникальная конструкция внутреннего теплообменника. Исключает возможность неконтролируемого попадания воздуха<br/>
<br/>
Предусмотрено отверстие для установки ТЭНа. Универсальность котла, может работать, как электрический<br/>
<br/>
Герметичная система запирания дверей. Тонкая и четкая настройка теплоносителя на выходе из котла<br/>
<br/>
Безопасные и удобные термопластиковые ручки исключают риск получить ожог при открывании/закрывании дверцы<br/>
<br/>
<br/>
<br/>
Описание<br/>
<br/>
<br/>
<br/>
Основная особенность котла - работа на пеллетах любого качества. Это реализуется благодаря наличию в котле специальной механической очистки колосников. Процесс розжига котла протекает без каких либо проблем с наличием керамической свечи, срок службы которой составляет более 3000 циклов. Наличие сенсорного дисплея, а также простого и понятного интерфейса на русском языке, позволяет пользователю настраивать и регулировать нужные параметры. При этом, вы всегда сможете управлять котлом через мобильное приложение eModul из любого места. <br/>
<br/>
Безопасность использования котла основывается на нескольких температурных датчиках: датчики защиты котла и горелки от перегрева, а за блокирование обратной тяги отвечает механический клапан. При отключении - включении электричества, котел самостоятельно возобновит работу при подаче электроэнергии. Теплообменник изготовлен из специальной котловой стал методом бесшовной вытяжки металлаи практически не имеет сварных швов. Теплообменник сконструирован таким образом, что практически не имеет сварных швов,а уникальный отвод дымовых газов подразумевает максимальный теплосъем и высокий КПД котла. Бункер объемом на 300 литров оснащен крышкой для защиты от влаги и посторонних предметов. Подача пеллетов из бункера осуществляется двухметровым шнеком из оцинкованной стали. Горелка, шнек и бункер имеют защиту от возникновения коррозии.<br/>
<br/>
Особенности и преимущества Amteo АF20 Classic:<br/>
<br/>
<br/>
Минимум сварочных швов в конструкции. Увеличивает прочность и герметичность котла<br/>
<br/>
Уникальная конструкция внутреннего теплообменника. Исключает возможность неконтролируемого попадания воздуха<br/>
<br/>
Предусмотрено отверстие для установки ТЭНа. Универсальность котла, может работать, как электрический<br/>
<br/>
Герметичная система запирания дверей. Тонкая и четкая настройка теплоносителя на выходе из котла<br/>
<br/>
Безопасные и удобные термопластиковые ручки исключают риск получить ожог при открывании/закрывании дверцы<br/>
<br/>
<br/>
<br/>
Гарантия, лет
—
2 года
Цвет корпуса
—
синий
Электропитание
—
220-240/1/50
Страна сборки
—
Беларусь
Дополнительная информация
—
Объем воды в котле 74 л., объем топки 77 л.
Отапливаемая площадь, кв.м
—
200
Диаметр подключения теплоносителя, дюйм
—
1 1/2"
Максимальная длина дымовой трубы (60-100 / 80-80 / 80-125 мм), м
—
159 мм
Вес, кг
—
192
0
Арт. SKU7685
Напольный твердотопливный котел Zota Magna-45 – это отличное отопительное оборудование, оснащенное полным функционалом и способное производить сжигание топлива в течение долгого времени. Устройство не подвержено коррозионному воздействию, ну нуждается в сложном обслуживании, а ультрасовременная конструкция позволяет без каких-либо трудностей производить очистку.Удобство, безопасность, надежность и высокая энергоэффективность – главные преимущества твердотопливных котлов серии «Magna» от российской торговой марки Zota. Также стоит отметить, что топовые конструкторы компании-производителя отлично поработали над теплообменником. Благодаря чему КПД оборудования невероятно высок. Агрегаты независимы от электрической энергии, просты в обслуживании и установке.Особенности Zota Magna-45:высокая степень герметичности котла; водоохлаждаемый зольник; камера сгорания изготовлена из специальных сталей и огнеупорных материалов; комбинированный теплообменник со специальной системой газораспределения; сверхпрочная конструкции водяной рубашки, легко выдерживающей избыточное давление до 3 атмосфер; ?возможность дополнительной установки комплекта «ТЭНБ 2"».
Гарантия, лет
—
1 год
Цвет корпуса
—
синий
Страна сборки
—
Россия
Диаметр подключения теплоносителя, дюйм
—
2"
Максимальная длина дымовой трубы (60-100 / 80-80 / 80-125 мм), м
—
180 мм
Вес, кг
—
515
0
Арт. SKU26654
<br/>
Описание<br/>
<br/>
<br/>
<br/>
Универсальный пеллетный котел АМТЕО Compact это совместный продукт Польских и Белорусских инженеров. Котел поставляется в в виде моноблока и состоит из теплообменника АМТЕО, пеллетной горелки VENMA и бункера объемом 180 литров. Котел может работать на пеллетах любого качества, дровах, брикетах, а также имеет место для подключения ТЭН, что будет особенно эффективно при наличии ночного тарифа.<br/>
<br/>
Благодаря наличию механической очистки колосников, котел может работать на пеллетах любого качества. Быстрый и эффективный розжиг, происходит при помощи керамической свечи, срок службы которой превышает 3000 циклов. Цветной сенсорный дисплей с понятным и интуитивным меню на русском языке, встроен в верхнюю часть котла и позволит легко отрегулировать и менять требуемые параметры. В случае необходимости, вы можете управлять котлом из любой точки мира через мобильное приложение eModul. Посмотрите видео в карточке товара.<br/>
<br/>
Большое внимание уделено безопасности. Котел имеет несколько температурных датчиков защиты горелки, датчик защиты котла от перегрева, а также механический клапан против обратной тяги. В случае отключения электричества, котел в дальнейшем возобновит работу без посторонней помощи.<br/>
<br/>
Теплообменник изготовлен из специальной котловой стал методом бесшовной вытяжки металла и практически не имеет сварных швов. Он имеет уникальную конструкцию отвода дымовых газов, что позволит получить максимальный теплосъем и высокий КПД котла.<br/>
<br/>
Котел поставляется с бункером на 180 литров, который находится в верхней части теплообменника. Бункер имеет крышку, для защиты от влаги и посторонних предметов.<br/>
<br/>
Особенности и преимущества Amteo АC20 Compact:<br/>
<br/>
<br/>
Минимум сварочных швов в конструкции. Увеличивает прочность и герметичность котла<br/>
<br/>
Уникальная конструкция внутреннего теплообменника. Исключает возможность неконтролируемого попадания воздуха<br/>
<br/>
Предусмотрено отверстие для установки ТЭНа. Универсальность котла, может работать, как электрический<br/>
<br/>
Герметичная система запирания дверей. Тонкая и четкая настройка теплоносителя на выходе из котла<br/>
<br/>
Безопасные и удобные термопластиковые ручки исключают риск получить ожог при открывании/закрывании дверцы<br/>
<br/>
<br/>
<br/>
Описание<br/>
<br/>
<br/>
<br/>
Универсальный пеллетный котел АМТЕО Compact это совместный продукт Польских и Белорусских инженеров. Котел поставляется в в виде моноблока и состоит из теплообменника АМТЕО, пеллетной горелки VENMA и бункера объемом 180 литров. Котел может работать на пеллетах любого качества, дровах, брикетах, а также имеет место для подключения ТЭН, что будет особенно эффективно при наличии ночного тарифа.<br/>
<br/>
Благодаря наличию механической очистки колосников, котел может работать на пеллетах любого качества. Быстрый и эффективный розжиг, происходит при помощи керамической свечи, срок службы которой превышает 3000 циклов. Цветной сенсорный дисплей с понятным и интуитивным меню на русском языке, встроен в верхнюю часть котла и позволит легко отрегулировать и менять требуемые параметры. В случае необходимости, вы можете управлять котлом из любой точки мира через мобильное приложение eModul. Посмотрите видео в карточке товара.<br/>
<br/>
Большое внимание уделено безопасности. Котел имеет несколько температурных датчиков защиты горелки, датчик защиты котла от перегрева, а также механический клапан против обратной тяги. В случае отключения электричества, котел в дальнейшем возобновит работу без посторонней помощи.<br/>
<br/>
Теплообменник изготовлен из специальной котловой стал методом бесшовной вытяжки металла и практически не имеет сварных швов. Он имеет уникальную конструкцию отвода дымовых газов, что позволит получить максимальный теплосъем и высокий КПД котла.<br/>
<br/>
Котел поставляется с бункером на 180 литров, который находится в верхней части теплообменника. Бункер имеет крышку, для защиты от влаги и посторонних предметов.<br/>
<br/>
Особенности и преимущества Amteo АC20 Compact:<br/>
<br/>
<br/>
Минимум сварочных швов в конструкции. Увеличивает прочность и герметичность котла<br/>
<br/>
Уникальная конструкция внутреннего теплообменника. Исключает возможность неконтролируемого попадания воздуха<br/>
<br/>
Предусмотрено отверстие для установки ТЭНа. Универсальность котла, может работать, как электрический<br/>
<br/>
Герметичная система запирания дверей. Тонкая и четкая настройка теплоносителя на выходе из котла<br/>
<br/>
Безопасные и удобные термопластиковые ручки исключают риск получить ожог при открывании/закрывании дверцы<br/>
<br/>
<br/>
<br/>
Гарантия, лет
—
2 года
Цвет корпуса
—
синий
Электропитание
—
220-240/1/50
Страна сборки
—
Беларусь
Дополнительная информация
—
Объем воды в котле 74 л.
Отапливаемая площадь, кв.м
—
200
Диаметр подключения теплоносителя, дюйм
—
1 1/2"
Максимальная длина дымовой трубы (60-100 / 80-80 / 80-125 мм), м
—
159 мм
Вес, кг
—
190
0
Арт. SKU26614
<br/>
Описание<br/>
<br/>
<br/>
<br/>
Котлы KSW Master характеризуются традиционным и проверенным процессом сжигания топлива при измененной конфигурации оборудования котла. В отличии от серии KSW Plus котел длительного горения KSW Master имеет усовершенствованную конфигурацию каналов подачи воздуха в топку, воздух при этом подается как в нижнюю часть топки для сжигания топлива, так и в верхнюю часть для дожига пиролизных газов при работе котла в режиме газогенерации, что дает существенный прирост к КПД котла. <br/>
<br/>
Надежная трехходовая конструкция котла: камера сгорания и теплообменник были изменены и улучшены, значительно повысив эффективность модели KSW Master.<br/>
<br/>
Эта серия обладает инновационной системой управления (контроллером), которая основана на плавном изменении скорости вращения вентилятора в зависимости от потребности в тепле. Электронный контроллер стандартно оснащен возможностью управления двумя насосами (центрального отопления и системы горячего водоснабжения), также имеется возможность подключения погодного датчика. Кроме того, котел оснащен водонаполненными колосниками, которые увеличивают площадь теплообмена, КПД и срок службы. Длительность горения на одной закладке топлива составляет 8-14 часов.<br/>
<br/>
<br/>
Описание<br/>
<br/>
<br/>
<br/>
Котлы KSW Master характеризуются традиционным и проверенным процессом сжигания топлива при измененной конфигурации оборудования котла. В отличии от серии KSW Plus котел длительного горения KSW Master имеет усовершенствованную конфигурацию каналов подачи воздуха в топку, воздух при этом подается как в нижнюю часть топки для сжигания топлива, так и в верхнюю часть для дожига пиролизных газов при работе котла в режиме газогенерации, что дает существенный прирост к КПД котла. <br/>
<br/>
Надежная трехходовая конструкция котла: камера сгорания и теплообменник были изменены и улучшены, значительно повысив эффективность модели KSW Master.<br/>
<br/>
Эта серия обладает инновационной системой управления (контроллером), которая основана на плавном изменении скорости вращения вентилятора в зависимости от потребности в тепле. Электронный контроллер стандартно оснащен возможностью управления двумя насосами (центрального отопления и системы горячего водоснабжения), также имеется возможность подключения погодного датчика. Кроме того, котел оснащен водонаполненными колосниками, которые увеличивают площадь теплообмена, КПД и срок службы. Длительность горения на одной закладке топлива составляет 8-14 часов.<br/>
<br/>
<br/>
Гарантия, лет
—
2 года
Цвет корпуса
—
желтый
Электропитание
—
220-240/1/50
Дополнительная информация
—
встроенный нагнетательный вентилятор, дисплей
Отапливаемая площадь, кв.м
—
120
Диаметр подключения теплоносителя, дюйм
—
1 1/2"
Максимальная длина дымовой трубы (60-100 / 80-80 / 80-125 мм), м
—
148 мм
Вес, кг
—
210
0
Арт. SKU26656
<br/>
Описание<br/>
<br/>
<br/>
<br/>
Зота Оптима - это автоматический котел на твердом топливе, имеет вместительный бункер и способен работать на 1 загрузке до 8 дней. В конструкции котла применены самые передовые технологии компании Zota, что является залогом надежности и долговечности.<br/>
<br/>
Особенности и преимущества ZOTA Optima 20 кВт:<br/>
<br/>
<br/>
Уникальная особенность – реверсивная система защиты от заклинивания шнека. В случае попадания в топливо твердых кусков породы или инородных тел, включается механизм реверсивного движения шнеков. Он делает три попытки и порода либо промалывается, либо механизм подачи останавливается и котел сигнализирует о необходимом вмешательстве для чистки механизма подачи<br/>
<br/>
Исключена обратная тяга дыма в бункер. В котле предусмотрено разряжение за счет трубки, соединяющей топочную камеру и бункер<br/>
<br/>
Котел оборудован вращающейся ретортной горелкой. Топливо в процессе горения перемешивается и не спекается<br/>
<br/>
Система «Стоп-уголь» позволит, в случае необходимости, заблокировать поступление топлива из бункера для работы со шнеком<br/>
<br/>
Объем бункера синхронизирован с объемом зольного ящика. Вместимость одного зольного ящика рассчитана на сгорание одного бункера топлива<br/>
<br/>
В качестве вспомогательного источника тепла можно использовать электричество. Для этого в котел устанавливается нагреватели из нержавеющей стали (ТЭН)<br/>
<br/>
Возможности и регулировки пульта управления:<br/>
<br/>
<br/>
-Мощность котла<br/>
<br/>
-Температура помещения<br/>
<br/>
-Температура подачи воды<br/>
<br/>
-Скорость шнека<br/>
<br/>
-Мощность вентилятора<br/>
<br/>
-Погодозависимое регулирование<br/>
<br/>
-Управление насосом ЦО<br/>
<br/>
-Управление насосом ГВС<br/>
<br/>
-Управление насосом рециркуляции<br/>
<br/>
-Коррекция расхода топлива<br/>
<br/>
-Управление 2-я электромагнитными клапанами<br/>
<br/>
<br/>
Описание<br/>
<br/>
<br/>
<br/>
Зота Оптима - это автоматический котел на твердом топливе, имеет вместительный бункер и способен работать на 1 загрузке до 8 дней. В конструкции котла применены самые передовые технологии компании Zota, что является залогом надежности и долговечности.<br/>
<br/>
Особенности и преимущества ZOTA Optima 20 кВт:<br/>
<br/>
<br/>
Уникальная особенность – реверсивная система защиты от заклинивания шнека. В случае попадания в топливо твердых кусков породы или инородных тел, включается механизм реверсивного движения шнеков. Он делает три попытки и порода либо промалывается, либо механизм подачи останавливается и котел сигнализирует о необходимом вмешательстве для чистки механизма подачи<br/>
<br/>
Исключена обратная тяга дыма в бункер. В котле предусмотрено разряжение за счет трубки, соединяющей топочную камеру и бункер<br/>
<br/>
Котел оборудован вращающейся ретортной горелкой. Топливо в процессе горения перемешивается и не спекается<br/>
<br/>
Система «Стоп-уголь» позволит, в случае необходимости, заблокировать поступление топлива из бункера для работы со шнеком<br/>
<br/>
Объем бункера синхронизирован с объемом зольного ящика. Вместимость одного зольного ящика рассчитана на сгорание одного бункера топлива<br/>
<br/>
В качестве вспомогательного источника тепла можно использовать электричество. Для этого в котел устанавливается нагреватели из нержавеющей стали (ТЭН)<br/>
<br/>
Возможности и регулировки пульта управления:<br/>
<br/>
<br/>
-Мощность котла<br/>
<br/>
-Температура помещения<br/>
<br/>
-Температура подачи воды<br/>
<br/>
-Скорость шнека<br/>
<br/>
-Мощность вентилятора<br/>
<br/>
-Погодозависимое регулирование<br/>
<br/>
-Управление насосом ЦО<br/>
<br/>
-Управление насосом ГВС<br/>
<br/>
-Управление насосом рециркуляции<br/>
<br/>
-Коррекция расхода топлива<br/>
<br/>
-Управление 2-я электромагнитными клапанами<br/>
<br/>
<br/>
Гарантия, лет
—
1 года
Цвет корпуса
—
синий
Страна сборки
—
Россия
Дополнительная информация
—
объем бункера 300 л., объем водяной камеры 91 л.
Отапливаемая площадь, кв.м
—
200
Диаметр подключения теплоносителя, дюйм
—
2"
Максимальная длина дымовой трубы (60-100 / 80-80 / 80-125 мм), м
—
150 мм
Вес, кг
—
389
0
Арт. SKU7663
Котёл твердотопливный Ferroli SFL 5 предназначен для отопления помещений, бытового (дачи, коттеджи, загородные дома) и производственного назначения площадью до 360.0 кв. м. При установке бойлера косвенного нагрева — и для горячего водоснабжения.Данный котел относится к категории автономного отопления, т.е. он абсолютно энергонезависим: Вам не будут страшны не только скачки напряжения, способные вывести оборудование из строя, но и любое продолжительное отключение электроэнергии.Открытая камера сгорания (такие котлы еще называют атмосферными) подразумевает, не так как обычно думают — видимость пламени, а способ образования горючей смеси — воздух берется из помещения, а удаление продуктов сгорания осуществляется естественным способом за счет тяги, создаваемой стационарным вертикальным дымоходом.Корпус котла Ferroli защищен изоляционным слоем из минеральной ваты, которая закреплена специальным материалом, который вообще не рвется. Это сводит к минимуму потери тепла и повышает коэффициент полезного действия котла. Кроме этого, для получения высокого КПД немаловажную роль играет вид используемого топлива и его размеры. А разработанная специально для использования древесины большая загрузочная камера сгорания позволяет сжигать крупные поленья. Поэтому, благодаря возможности загрузок больших объемов топлива, продолжительность процесса горения значительно увеличивается.Также немаловажную роль для высокого КПД прибора играет небольшой объем теплоносителя в системе и специфическая форма и расположение секций котла, благодаря чему котел имеет низкую тепловую инерцию и высокий коэффициент теплообмена.Теплоносителем в отопительной системе этого котла может быть как вода, так и антифризная система, жидкости и добавки, специально для этого предназначенные.К этому котлу Вы можете подключить бойлер BF для нагрева воды для бытовых целей.Термостат, которым оснащен этот котел, не допустит закипания теплоносителя и, как следствие, выход системы из строя. Он сработает сразу, как только температура поднимется выше 95 градусов.
Гарантия, лет
—
2 года
Цвет корпуса
—
желтый
Страна сборки
—
Италия
Отапливаемая площадь, кв.м
—
360
Диаметр подключения теплоносителя, дюйм
—
1 1/2"
Максимальная длина дымовой трубы (60-100 / 80-80 / 80-125 мм), м
—
150 мм
Вес, кг
—
289
0
Арт. SKU26657
<br/>
Описание<br/>
<br/>
<br/>
<br/>
Koloss Auto Compact Duo - современные автоматические твердотопливные котлы с большим бункером для угля. Конструкция котла позволяет менять расположение бункера для размещения его слева, справа, а также с тыльной стороны. Отличием модели Auto Compact Duo является наличие полноценной камеры сжигания для ручного режима работы за счет встроенных в теплообменник водонаполненных колосников. Водонаполненные охлаждаемые колосники также добавляют дополнительную площадь теплового съема, что позволяет несколько увеличить эффективность котла. Koloss Auto Compact Duo комплектуется ретортной поворотной горелкой в базовой комплектации.<br/>
<br/>
В автоматическом режиме: Уголь 5-25 мм.<br/>
<br/>
В ручном режиме: Дрова, брикеты.<br/>
<br/>
Особенности и преимущества Koloss Auto Compact Duo 25:<br/>
<br/>
<br/>
До 5-7 суток работы на одной загрузке бункера<br/>
<br/>
Бункер можно ставить справа, слева или сзади от котла<br/>
<br/>
Умная автоматика управляет работой котла, следит за безопасностью и экономит до 25% топлива по сравнению с котлами без автоматики<br/>
<br/>
Водонаполненные колосники. В модели DUO имеется полноценная камера сгорания для ручного режима работы за счет встроенных в теплообменник водонаполненных колосников<br/>
<br/>
Дополнительная дверца для сжигания топлива в ручном режиме<br/>
<br/>
Особо прочный цельнотянутый шнек и функция автореверса<br/>
<br/>
Возможность установки Internet модуля (опционально). Контроль и управление автоматическим котлом, без необходимости быть непосредственно в котельной<br/>
<br/>
Топливный бункер 310-500 л уже в базовой комплектации<br/>
<br/>
Поворотная ретортная горелка с функцией автоочистки<br/>
<br/>
Благодаря теплоизоляции тепло от сгоревшего топлива идет на обогрев помещений, а не котельной<br/>
<br/>
Вывод патрубков подключения с двух сторон<br/>
<br/>
Высокий КПД от 86 %<br/>
<br/>
Расширенная гарантия - 8 лет, срок службы - минимум 15 лет<br/>
<br/>
<br/>
Описание<br/>
<br/>
<br/>
<br/>
Koloss Auto Compact Duo - современные автоматические твердотопливные котлы с большим бункером для угля. Конструкция котла позволяет менять расположение бункера для размещения его слева, справа, а также с тыльной стороны. Отличием модели Auto Compact Duo является наличие полноценной камеры сжигания для ручного режима работы за счет встроенных в теплообменник водонаполненных колосников. Водонаполненные охлаждаемые колосники также добавляют дополнительную площадь теплового съема, что позволяет несколько увеличить эффективность котла. Koloss Auto Compact Duo комплектуется ретортной поворотной горелкой в базовой комплектации.<br/>
<br/>
В автоматическом режиме: Уголь 5-25 мм.<br/>
<br/>
В ручном режиме: Дрова, брикеты.<br/>
<br/>
Особенности и преимущества Koloss Auto Compact Duo 25:<br/>
<br/>
<br/>
До 5-7 суток работы на одной загрузке бункера<br/>
<br/>
Бункер можно ставить справа, слева или сзади от котла<br/>
<br/>
Умная автоматика управляет работой котла, следит за безопасностью и экономит до 25% топлива по сравнению с котлами без автоматики<br/>
<br/>
Водонаполненные колосники. В модели DUO имеется полноценная камера сгорания для ручного режима работы за счет встроенных в теплообменник водонаполненных колосников<br/>
<br/>
Дополнительная дверца для сжигания топлива в ручном режиме<br/>
<br/>
Особо прочный цельнотянутый шнек и функция автореверса<br/>
<br/>
Возможность установки Internet модуля (опционально). Контроль и управление автоматическим котлом, без необходимости быть непосредственно в котельной<br/>
<br/>
Топливный бункер 310-500 л уже в базовой комплектации<br/>
<br/>
Поворотная ретортная горелка с функцией автоочистки<br/>
<br/>
Благодаря теплоизоляции тепло от сгоревшего топлива идет на обогрев помещений, а не котельной<br/>
<br/>
Вывод патрубков подключения с двух сторон<br/>
<br/>
Высокий КПД от 86 %<br/>
<br/>
Расширенная гарантия - 8 лет, срок службы - минимум 15 лет<br/>
<br/>
<br/>
Гарантия, лет
—
8 года
Цвет корпуса
—
бежевый
Электропитание
—
220-240/1/50
Страна сборки
—
Россия
Дополнительная информация
—
контроллер, объем бункера 380 л., объем водяной рубашки 115 л., толщина стали 4 мм.
Отапливаемая площадь, кв.м
—
250
Диаметр подключения теплоносителя, дюйм
—
1 1/2"
Максимальная длина дымовой трубы (60-100 / 80-80 / 80-125 мм), м
—
159 мм
Вес, кг
—
417
0
Арт. SKU26658
<br/>
Описание<br/>
<br/>
<br/>
<br/>
Твердотопливный котел ТА-70 Тепловъ с автоматикой - компактный отопительный агрегат, который оптимален для теплоснабжения, как индивидуальных жилых домов, так и зданий коммунально – бытового назначения. Котел эффективно работает, как в системах открытого типа, так и закрытого, независимо от вида циркуляции: естественной или принудительной. <br/>
<br/>
Энергозависимая модель выполнена из котловой стали марки 09г2с, имеющей толщину не менее 5 мм. Конструкция изделия цельносварная. Агрегат оснащен турбиной подачи воздуха и системой автоматики, обеспечивающей возможность работы в полуавтоматическом режиме, который обладает рядом преимуществ:<br/>
<br/>
<br/>
защита от перегрева при отключении электричества (насоса)<br/>
<br/>
экономия топлива не менее 20% (поддержание оптимальной температуры горения)<br/>
<br/>
экономия электричества (целесообразное использование насосов)<br/>
<br/>
защита от закипания<br/>
<br/>
защита от замерзания<br/>
<br/>
сниженные требования к дымоходу<br/>
<br/>
программирование температуры воздуха в помещении в течение суток<br/>
<br/>
распределение мощности по приоритетам (при использовании контура ГВС; 4 режима)<br/>
<br/>
<br/>
Все стенки и перегородки котла водонаполнены. Котел оснащен большими и удобными дверцами с механизмом затяжки плотности прилегания. Благодаря этому его удобно чистить и обслуживать. Также все котлы оборудованы местом для установки электрического ТЭНа.<br/>
<br/>
Современный стальной котел универсален - эксплуатация возможна практически на всех видах твердого топлива: уголь, торф, дрова, топливные брикеты.<br/>
Описание<br/>
<br/>
<br/>
<br/>
Твердотопливный котел ТА-70 Тепловъ с автоматикой - компактный отопительный агрегат, который оптимален для теплоснабжения, как индивидуальных жилых домов, так и зданий коммунально – бытового назначения. Котел эффективно работает, как в системах открытого типа, так и закрытого, независимо от вида циркуляции: естественной или принудительной. <br/>
<br/>
Энергозависимая модель выполнена из котловой стали марки 09г2с, имеющей толщину не менее 5 мм. Конструкция изделия цельносварная. Агрегат оснащен турбиной подачи воздуха и системой автоматики, обеспечивающей возможность работы в полуавтоматическом режиме, который обладает рядом преимуществ:<br/>
<br/>
<br/>
защита от перегрева при отключении электричества (насоса)<br/>
<br/>
экономия топлива не менее 20% (поддержание оптимальной температуры горения)<br/>
<br/>
экономия электричества (целесообразное использование насосов)<br/>
<br/>
защита от закипания<br/>
<br/>
защита от замерзания<br/>
<br/>
сниженные требования к дымоходу<br/>
<br/>
программирование температуры воздуха в помещении в течение суток<br/>
<br/>
распределение мощности по приоритетам (при использовании контура ГВС; 4 режима)<br/>
<br/>
<br/>
Все стенки и перегородки котла водонаполнены. Котел оснащен большими и удобными дверцами с механизмом затяжки плотности прилегания. Благодаря этому его удобно чистить и обслуживать. Также все котлы оборудованы местом для установки электрического ТЭНа.<br/>
<br/>
Современный стальной котел универсален - эксплуатация возможна практически на всех видах твердого топлива: уголь, торф, дрова, топливные брикеты.<br/>
Гарантия, лет
—
1 год
Цвет корпуса
—
синий
Страна сборки
—
Россия
Дополнительная информация
—
объем воды 80 л, топка 407 л
Отапливаемая площадь, кв.м
—
700
Максимальная длина дымовой трубы (60-100 / 80-80 / 80-125 мм), м
—
200 мм
Вес, кг
—
800
0
Арт. SKU26659
Наружный котёл является комплексным решением для организации готовой системы отопления. Котлы серии АКМ являются самым бюджетным вариантом блочно-модульной котельной. Как и все котлы «Буржуй-К», котлы серии АМК работают на твёрдом топливе (дрова, уголь, торфяные и топливные брикеты). <br><br/>
<br><br/>
<p><br/>
Наружный котел – детально продуманное оборудование. Он представляет собой конструкцию, включающую водогрейный котел и каркасный модуль. Он функционирует по принципу пиролиза – сжигании газа, выделяемого при тлении органического топлива. Такое устройство обладает стабильно высоким КПД и может похвастаться экономичностью и долговечностью. <br><br/>
</p><br/>
<p><br/>
Каркасный модуль сделан из металла и утеплён с помощью современных эффективных материалов. Модуль полностью герметичен и очень устойчив к любым погодным условиям, а потому может быть установлен в любом регионе, вне зависимости от климата. В любой момент вы можете получить доступ к котлу для его обслуживания, ремонта или настройки.<br/>
</p><br/>
<br><br/>
<br>
<br><br/>
<p><br/>
Наружный котел – детально продуманное оборудование. Он представляет собой конструкцию, включающую водогрейный котел и каркасный модуль. Он функционирует по принципу пиролиза – сжигании газа, выделяемого при тлении органического топлива. Такое устройство обладает стабильно высоким КПД и может похвастаться экономичностью и долговечностью. <br><br/>
</p><br/>
<p><br/>
Каркасный модуль сделан из металла и утеплён с помощью современных эффективных материалов. Модуль полностью герметичен и очень устойчив к любым погодным условиям, а потому может быть установлен в любом регионе, вне зависимости от климата. В любой момент вы можете получить доступ к котлу для его обслуживания, ремонта или настройки.<br/>
</p><br/>
<br><br/>
<br>
Гарантия, лет
—
3
Цвет корпуса
—
красный
Страна сборки
—
Россия
Дополнительная информация
—
Объем воды в котле 30 л.
Отапливаемая площадь, кв.м
—
120
Диаметр подключения теплоносителя, дюйм
—
1 1/2"
Максимальная длина дымовой трубы (60-100 / 80-80 / 80-125 мм), м
—
130
0
Арт. SKU26660
<br/>
Описание<br/>
<br/>
<br/>
<br/>
Котел Тепловъ Т-80 - водогрейный отопительный котел на твердом топливе длительного горения.<br/>
<br/>
Основные преимущества:<br/>
<br/>
<br/>
Внушительный размер топки позволяет использовать дрова длинной до 0.85 м <br/>
<br/>
По желанию заказчика комплектуется контуром ГВС (горячее водоснабжение). <br/>
<br/>
Оборудован автоматическим регулятором тяги. <br/>
<br/>
Возможна установка блока ТЭН с пультом управления (опция). <br/>
<br/>
Котлы выполнены из жаростойкой стали толщиной 5 мм. <br/>
<br/>
Основное топливо: дрова, уголь, топливные и торфяные брикеты. <br/>
<br/>
<br/>
Комплект поставки: котел, регулятор тяги, термоманометр, колосниковые решетки, шибер с крепежно-уплотнительными элементами, зольный ящик, технический паспорт, гарантийный талон.<br/>
Описание<br/>
<br/>
<br/>
<br/>
Котел Тепловъ Т-80 - водогрейный отопительный котел на твердом топливе длительного горения.<br/>
<br/>
Основные преимущества:<br/>
<br/>
<br/>
Внушительный размер топки позволяет использовать дрова длинной до 0.85 м <br/>
<br/>
По желанию заказчика комплектуется контуром ГВС (горячее водоснабжение). <br/>
<br/>
Оборудован автоматическим регулятором тяги. <br/>
<br/>
Возможна установка блока ТЭН с пультом управления (опция). <br/>
<br/>
Котлы выполнены из жаростойкой стали толщиной 5 мм. <br/>
<br/>
Основное топливо: дрова, уголь, топливные и торфяные брикеты. <br/>
<br/>
<br/>
Комплект поставки: котел, регулятор тяги, термоманометр, колосниковые решетки, шибер с крепежно-уплотнительными элементами, зольный ящик, технический паспорт, гарантийный талон.<br/>
Гарантия, лет
—
1 год
Цвет корпуса
—
синий
Страна сборки
—
Россия
Дополнительная информация
—
объем воды 78 л, возможность подключения к ГВС, топка 407 л
Отапливаемая площадь, кв.м
—
800
Диаметр подключения теплоносителя, дюйм
—
1 3/4"
Максимальная длина дымовой трубы (60-100 / 80-80 / 80-125 мм), м
—
200 мм
Вес, кг
—
730
0
Арт. SKU26662
<br/>
Описание<br/>
<br/>
<br/>
<br/>
Универсальный пеллетный котел АМТЕО Compact это совместный продукт Польских и Белорусских инженеров. Котел поставляется в в виде моноблока и состоит из теплообменника АМТЕО, пеллетной горелки VENMA и бункера объемом 180 литров. Котел может работать на пеллетах любого качества, дровах, брикетах, а также имеет место для подключения ТЭН, что будет особенно эффективно при наличии ночного тарифа.<br/>
<br/>
Благодаря наличию механической очистки колосников, котел может работать на пеллетах любого качества. Быстрый и эффективный розжиг, происходит при помощи керамической свечи, срок службы которой превышает 3000 циклов. Цветной сенсорный дисплей с понятным и интуитивным меню на русском языке, встроен в верхнюю часть котла и позволит легко отрегулировать и менять требуемые параметры. В случае необходимости, вы можете управлять котлом из любой точки мира через мобильное приложение eModul. Посмотрите видео в карточке товара.<br/>
<br/>
Большое внимание уделено безопасности. Котел имеет несколько температурных датчиков защиты горелки, датчик защиты котла от перегрева, а также механический клапан против обратной тяги. В случае отключения электричества, котел в дальнейшем возобновит работу без посторонней помощи.<br/>
<br/>
Теплообменник изготовлен из специальной котловой стал методом бесшовной вытяжки металла и практически не имеет сварных швов. Он имеет уникальную конструкцию отвода дымовых газов, что позволит получить максимальный теплосъем и высокий КПД котла.<br/>
<br/>
Котел поставляется с бункером на 180 литров, который находится в верхней части теплообменника. Бункер имеет крышку, для защиты от влаги и посторонних предметов.<br/>
<br/>
Особенности и преимущества Amteo АC25 Compact:<br/>
<br/>
<br/>
Минимум сварочных швов в конструкции. Увеличивает прочность и герметичность котла<br/>
<br/>
Уникальная конструкция внутреннего теплообменника. Исключает возможность неконтролируемого попадания воздуха<br/>
<br/>
Предусмотрено отверстие для установки ТЭНа. Универсальность котла, может работать, как электрический<br/>
<br/>
Герметичная система запирания дверей. Тонкая и четкая настройка теплоносителя на выходе из котла<br/>
<br/>
Безопасные и удобные термопластиковые ручки исключают риск получить ожог при открывании/закрывании дверцы<br/>
<br/>
<br/>
<br/>
Описание<br/>
<br/>
<br/>
<br/>
Универсальный пеллетный котел АМТЕО Compact это совместный продукт Польских и Белорусских инженеров. Котел поставляется в в виде моноблока и состоит из теплообменника АМТЕО, пеллетной горелки VENMA и бункера объемом 180 литров. Котел может работать на пеллетах любого качества, дровах, брикетах, а также имеет место для подключения ТЭН, что будет особенно эффективно при наличии ночного тарифа.<br/>
<br/>
Благодаря наличию механической очистки колосников, котел может работать на пеллетах любого качества. Быстрый и эффективный розжиг, происходит при помощи керамической свечи, срок службы которой превышает 3000 циклов. Цветной сенсорный дисплей с понятным и интуитивным меню на русском языке, встроен в верхнюю часть котла и позволит легко отрегулировать и менять требуемые параметры. В случае необходимости, вы можете управлять котлом из любой точки мира через мобильное приложение eModul. Посмотрите видео в карточке товара.<br/>
<br/>
Большое внимание уделено безопасности. Котел имеет несколько температурных датчиков защиты горелки, датчик защиты котла от перегрева, а также механический клапан против обратной тяги. В случае отключения электричества, котел в дальнейшем возобновит работу без посторонней помощи.<br/>
<br/>
Теплообменник изготовлен из специальной котловой стал методом бесшовной вытяжки металла и практически не имеет сварных швов. Он имеет уникальную конструкцию отвода дымовых газов, что позволит получить максимальный теплосъем и высокий КПД котла.<br/>
<br/>
Котел поставляется с бункером на 180 литров, который находится в верхней части теплообменника. Бункер имеет крышку, для защиты от влаги и посторонних предметов.<br/>
<br/>
Особенности и преимущества Amteo АC25 Compact:<br/>
<br/>
<br/>
Минимум сварочных швов в конструкции. Увеличивает прочность и герметичность котла<br/>
<br/>
Уникальная конструкция внутреннего теплообменника. Исключает возможность неконтролируемого попадания воздуха<br/>
<br/>
Предусмотрено отверстие для установки ТЭНа. Универсальность котла, может работать, как электрический<br/>
<br/>
Герметичная система запирания дверей. Тонкая и четкая настройка теплоносителя на выходе из котла<br/>
<br/>
Безопасные и удобные термопластиковые ручки исключают риск получить ожог при открывании/закрывании дверцы<br/>
<br/>
<br/>
<br/>
Гарантия, лет
—
2 года
Цвет корпуса
—
синий
Электропитание
—
220-240/1/50
Страна сборки
—
Беларусь
Дополнительная информация
—
Объем воды в котле 80 л.
Отапливаемая площадь, кв.м
—
250
Диаметр подключения теплоносителя, дюйм
—
1 1/2"
Максимальная длина дымовой трубы (60-100 / 80-80 / 80-125 мм), м
—
159 мм
Вес, кг
—
245
0
Арт. SKU26622
<br/>
Описание<br/>
<br/>
<br/>
<br/>
Котлы KSW Master характеризуются традиционным и проверенным процессом сжигания топлива при измененной конфигурации оборудования котла. В отличии от серии KSW Plus котел длительного горения KSW Master имеет усовершенствованную конфигурацию каналов подачи воздуха в топку, воздух при этом подается как в нижнюю часть топки для сжигания топлива, так и в верхнюю часть для дожига пиролизных газов при работе котла в режиме газогенерации, что дает существенный прирост к КПД котла. <br/>
<br/>
Надежная трехходовая конструкция котла: камера сгорания и теплообменник были изменены и улучшены, значительно повысив эффективность модели KSW Master.<br/>
<br/>
Эта серия обладает инновационной системой управления (контроллером), которая основана на плавном изменении скорости вращения вентилятора в зависимости от потребности в тепле. Электронный контроллер стандартно оснащен возможностью управления двумя насосами (центрального отопления и системы горячего водоснабжения), также имеется возможность подключения погодного датчика. Кроме того, котел оснащен водонаполненными колосниками, которые увеличивают площадь теплообмена, КПД и срок службы. Длительность горения на одной закладке топлива составляет 8-14 часов.<br/>
<br/>
<br/>
Описание<br/>
<br/>
<br/>
<br/>
Котлы KSW Master характеризуются традиционным и проверенным процессом сжигания топлива при измененной конфигурации оборудования котла. В отличии от серии KSW Plus котел длительного горения KSW Master имеет усовершенствованную конфигурацию каналов подачи воздуха в топку, воздух при этом подается как в нижнюю часть топки для сжигания топлива, так и в верхнюю часть для дожига пиролизных газов при работе котла в режиме газогенерации, что дает существенный прирост к КПД котла. <br/>
<br/>
Надежная трехходовая конструкция котла: камера сгорания и теплообменник были изменены и улучшены, значительно повысив эффективность модели KSW Master.<br/>
<br/>
Эта серия обладает инновационной системой управления (контроллером), которая основана на плавном изменении скорости вращения вентилятора в зависимости от потребности в тепле. Электронный контроллер стандартно оснащен возможностью управления двумя насосами (центрального отопления и системы горячего водоснабжения), также имеется возможность подключения погодного датчика. Кроме того, котел оснащен водонаполненными колосниками, которые увеличивают площадь теплообмена, КПД и срок службы. Длительность горения на одной закладке топлива составляет 8-14 часов.<br/>
<br/>
<br/>
Гарантия, лет
—
2 года
Цвет корпуса
—
желтый
Электропитание
—
220-240/1/50
Дополнительная информация
—
встроенный нагнетательный вентилятор, дисплей
Отапливаемая площадь, кв.м
—
160
Диаметр подключения теплоносителя, дюйм
—
1 1/2"
Максимальная длина дымовой трубы (60-100 / 80-80 / 80-125 мм), м
—
158 мм
Вес, кг
—
230
0
Арт. SKU26680
<br/>
Описание<br/>
<br/>
<br/>
<br/>
KOLOSS ULTRA PLUS - надежные и продуманные полуавтоматические котлы с длительностью горения как у автоматических котлов с топливным бункером, но по цене полуавтомата. <br/>
<br/>
Главная особенность KOLOSS ULTRA PLUS – длительность работы на одной загрузке топлива. Обычные котлы работают 4-7 часов на дровах и максимум сутки на угле, а KOLOSS - до 24 часов на дровах и до 3-4 суток на угле. В 5 раз дольше!<br/>
<br/>
Такого срока работы удалось достичь благодаря особому строению теплообменника, умной автоматике и самой большой камере сгорания на рынке. Здесь она в 2-3 раза больше, чем в других котлах. Например, в самом ходовом котле мощностью 25-35 кВт объем камеры сгорания - 340 литров или 45 ведер угля. Для сравнения: в другие котлы такой же мощности обычно влезает всего 10-15 ведер угля.<br/>
<br/>
Особенности и преимущества Koloss Ultra Plus 27:<br/>
<br/>
<br/>
До 3-4 суток работы на одной загрузке угля и до суток на дровах<br/>
<br/>
Расширенная гарантия до 8 лет, а общий срок службы – больше 15 лет<br/>
<br/>
КПД 83 %<br/>
<br/>
Умная автоматика управляет работой котла, следит за безопасностью и экономит до 25% топлива по сравнению с котлами без автоматики<br/>
<br/>
Большие дверцы для удобной загрузки топлива и простой чистки котла<br/>
<br/>
Большой зольный ящик – котел удобно чистить<br/>
<br/>
Долгий путь горячих газов в вертикальном теплообменнике. Чем дольше сгораемые газы соприкасаются с теплообменником, тем выше теплосъем. В котле KOLOSS ULTRA PLUS горячий воздух от сгоревшего топлива поднимается вверх, затем опускается вниз и снова поднимается вверх через водяные карманы. Газы двигаются по максимально длинной траектории и на протяжении всего пути отдают тепло на пользу человека<br/>
<br/>
Термообшивка сохраняет тепло в котле. Для уменьшения теплопотерь на корпус котла установлены изоляционные панели с минеральной ватой. Благодаря обшивке энергия от сгоревшего топлива не расходуется на обогрев воздуха в котельной, а идет на отопление помещений. По сравнению с котлами без обшивки таким образом экономится до 15 % топлива<br/>
<br/>
Водяная рубашка. Это стенки котла, наполненные водой. По периметру топки котел заполняется теплоносителем, который забирает тепло от огня и переносит его в систему отопления<br/>
<br/>
Водонаполненные колосники. Это заполненные водой трубки, на которых горит топливо. В отличие от чугунных колосников, водонаполненные снимают дополнительное тепло, увеличивают эффективность котла и никогда не прогорают.<br/>
<br/>
<br/>
Описание<br/>
<br/>
<br/>
<br/>
KOLOSS ULTRA PLUS - надежные и продуманные полуавтоматические котлы с длительностью горения как у автоматических котлов с топливным бункером, но по цене полуавтомата. <br/>
<br/>
Главная особенность KOLOSS ULTRA PLUS – длительность работы на одной загрузке топлива. Обычные котлы работают 4-7 часов на дровах и максимум сутки на угле, а KOLOSS - до 24 часов на дровах и до 3-4 суток на угле. В 5 раз дольше!<br/>
<br/>
Такого срока работы удалось достичь благодаря особому строению теплообменника, умной автоматике и самой большой камере сгорания на рынке. Здесь она в 2-3 раза больше, чем в других котлах. Например, в самом ходовом котле мощностью 25-35 кВт объем камеры сгорания - 340 литров или 45 ведер угля. Для сравнения: в другие котлы такой же мощности обычно влезает всего 10-15 ведер угля.<br/>
<br/>
Особенности и преимущества Koloss Ultra Plus 27:<br/>
<br/>
<br/>
До 3-4 суток работы на одной загрузке угля и до суток на дровах<br/>
<br/>
Расширенная гарантия до 8 лет, а общий срок службы – больше 15 лет<br/>
<br/>
КПД 83 %<br/>
<br/>
Умная автоматика управляет работой котла, следит за безопасностью и экономит до 25% топлива по сравнению с котлами без автоматики<br/>
<br/>
Большие дверцы для удобной загрузки топлива и простой чистки котла<br/>
<br/>
Большой зольный ящик – котел удобно чистить<br/>
<br/>
Долгий путь горячих газов в вертикальном теплообменнике. Чем дольше сгораемые газы соприкасаются с теплообменником, тем выше теплосъем. В котле KOLOSS ULTRA PLUS горячий воздух от сгоревшего топлива поднимается вверх, затем опускается вниз и снова поднимается вверх через водяные карманы. Газы двигаются по максимально длинной траектории и на протяжении всего пути отдают тепло на пользу человека<br/>
<br/>
Термообшивка сохраняет тепло в котле. Для уменьшения теплопотерь на корпус котла установлены изоляционные панели с минеральной ватой. Благодаря обшивке энергия от сгоревшего топлива не расходуется на обогрев воздуха в котельной, а идет на отопление помещений. По сравнению с котлами без обшивки таким образом экономится до 15 % топлива<br/>
<br/>
Водяная рубашка. Это стенки котла, наполненные водой. По периметру топки котел заполняется теплоносителем, который забирает тепло от огня и переносит его в систему отопления<br/>
<br/>
Водонаполненные колосники. Это заполненные водой трубки, на которых горит топливо. В отличие от чугунных колосников, водонаполненные снимают дополнительное тепло, увеличивают эффективность котла и никогда не прогорают.<br/>
<br/>
<br/>
Гарантия, лет
—
8 года
Цвет корпуса
—
бежевый
Электропитание
—
220-240/1/50
Страна сборки
—
Россия
Дополнительная информация
—
объем топки 270 л., толщина стали 4 мм.
Отапливаемая площадь, кв.м
—
270
Диаметр подключения теплоносителя, дюйм
—
1 1/2"
Максимальная длина дымовой трубы (60-100 / 80-80 / 80-125 мм), м
—
159 мм
Вес, кг
—
530
0
Арт. SKU26663
<br/>
Описание<br/>
<br/>
<br/>
<br/>
KOLOSS AUTO COMPACT - автоматические котлы с большим бункером для угля. Базовой моделью в линейке автоматических котлов KOLOSS является KOLOSS AUTO COMPACT. Конструкция котла позволяет менять расположение бункера для размещения его слева, справа, а также с тыльной стороны. Это делает котел идеальным решением как для стандартных, так и для малогабаритных узких котельных. Возможна организация сжигания топлива в ручном режиме путем установки съемной колосниковой решетки. Опционально возможна установка автоматической системы золоудаления. Срок службы котла минимум 15 лет.<br/>
<br/>
KOLOSS AUTO COMPACT оборудован шнековой подачей топлива с неповоротной ретортной горелкой (ретортной поворотной горелкой данная серия котлов комплектуется в качестве опции). Теплообменник модели выполнен в виде горизонтально направленных каналов, расположенной в верхней части котла. Выход дымового борова направлен вверх. Топливный бункер возможно установить с правой, левой или тыльной стороны котла. Для угля 5-25 мм.<br/>
<br/>
Особенности и преимущества Koloss Auto Compact 50:<br/>
<br/>
<br/>
До 5-7 суток работы на одной загрузке бункера<br/>
<br/>
Бункер можно ставить справа, слева или сзади от котла<br/>
<br/>
Умная автоматика управляет работой котла, следит за безопасностью и экономит до 25% топлива по сравнению с котлами без автоматики<br/>
<br/>
Особо прочный цельнотянутый шнек и функция автореверса<br/>
<br/>
Возможность установки Internet модуля (опционально). Контроль и управление автоматическим котлом, без необходимости быть непосредственно в котельной<br/>
<br/>
Топливный бункер 310-500 л уже в базовой комплектации<br/>
<br/>
Поворотная ретортная горелка с функцией автоочистки (опция)<br/>
<br/>
Благодаря теплоизоляции тепло от сгоревшего топлива идет на обогрев помещений, а не котельной<br/>
<br/>
Вывод патрубков подключения с двух сторон<br/>
<br/>
Высокий КПД от 86 %<br/>
<br/>
Расширенная гарантия - 8 лет, срок службы - минимум 15 лет<br/>
<br/>
<br/>
Описание<br/>
<br/>
<br/>
<br/>
KOLOSS AUTO COMPACT - автоматические котлы с большим бункером для угля. Базовой моделью в линейке автоматических котлов KOLOSS является KOLOSS AUTO COMPACT. Конструкция котла позволяет менять расположение бункера для размещения его слева, справа, а также с тыльной стороны. Это делает котел идеальным решением как для стандартных, так и для малогабаритных узких котельных. Возможна организация сжигания топлива в ручном режиме путем установки съемной колосниковой решетки. Опционально возможна установка автоматической системы золоудаления. Срок службы котла минимум 15 лет.<br/>
<br/>
KOLOSS AUTO COMPACT оборудован шнековой подачей топлива с неповоротной ретортной горелкой (ретортной поворотной горелкой данная серия котлов комплектуется в качестве опции). Теплообменник модели выполнен в виде горизонтально направленных каналов, расположенной в верхней части котла. Выход дымового борова направлен вверх. Топливный бункер возможно установить с правой, левой или тыльной стороны котла. Для угля 5-25 мм.<br/>
<br/>
Особенности и преимущества Koloss Auto Compact 50:<br/>
<br/>
<br/>
До 5-7 суток работы на одной загрузке бункера<br/>
<br/>
Бункер можно ставить справа, слева или сзади от котла<br/>
<br/>
Умная автоматика управляет работой котла, следит за безопасностью и экономит до 25% топлива по сравнению с котлами без автоматики<br/>
<br/>
Особо прочный цельнотянутый шнек и функция автореверса<br/>
<br/>
Возможность установки Internet модуля (опционально). Контроль и управление автоматическим котлом, без необходимости быть непосредственно в котельной<br/>
<br/>
Топливный бункер 310-500 л уже в базовой комплектации<br/>
<br/>
Поворотная ретортная горелка с функцией автоочистки (опция)<br/>
<br/>
Благодаря теплоизоляции тепло от сгоревшего топлива идет на обогрев помещений, а не котельной<br/>
<br/>
Вывод патрубков подключения с двух сторон<br/>
<br/>
Высокий КПД от 86 %<br/>
<br/>
Расширенная гарантия - 8 лет, срок службы - минимум 15 лет<br/>
<br/>
<br/>
Гарантия, лет
—
8 года
Цвет корпуса
—
бежевый
Электропитание
—
220-240/1/50
Страна сборки
—
Россия
Дополнительная информация
—
контроллер, объем бункера 500 л., объем водяной рубашки 145 л., толщина стали 4 мм.
Отапливаемая площадь, кв.м
—
500
Диаметр подключения теплоносителя, дюйм
—
1 1/2"
Максимальная длина дымовой трубы (60-100 / 80-80 / 80-125 мм), м
—
159 мм
Вес, кг
—
480
